電路保護
在以上情況中,可以加設電路保護以減低切換時的金屬轉移。如下圖所示的是一個非常典型的電路,電容有時可能只有幾Pf(皮法),這種情況可以從mf(毫發)范圍內的寄生電容或實際電容性的元件上找原因。電路內的電容器會儲存電荷,它本身的性質決定了它傾向于盡可能快的釋放所有電荷。在電路沒有加設一些電阻或阻抗時,這種現象是不可避免的。

直接切換電容時,突然流入的高電流會迅速的損壞開關
加設電阻或感應器可以減低突入電流并降低開關的耗損

公式#2 和公式#3 陳述了一個電容電路的電壓和電流,而公式#3 是陳述電容性的放電比率
R: 電路電阻
q: 充電
t: 時間
c: 電容
i: 電流
v: 電壓
當干簧管觸點閉合時,應盡量避免或降低突入電流。如果您的電路容許磁簧開關線路內直接加設串聯電阻,那是最佳的選擇。在上圖中電阻值越大越好,在電路上使用感應器或加上電感,也同樣有效。感應器能在阻止最初的電流流入以減小突入電流。此時有一點需要留意的,一定要小心計算一個平衡點,不可配用太多的電感,以防影響到開關效能及在開關打開時會產生的其它問題。
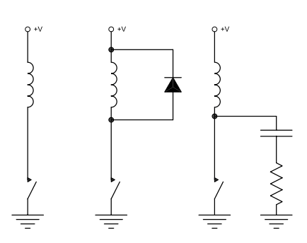
切換電感負載如繼電器,螺線管,線圈計算器,小型馬達或電感電路等都需要防護電路去延長干簧開關的壽命(見下圖)。公式#1 描述感應性的關系。一旦電流流過電感器,它會傾向維持這個電流,如果這電流突然間終結,公式#1內的di/dt可以變得很大,這凈效應可以由大的電流流經過開關造成。在開關打時,電弧放電會隨之而起,如果這電弧放電持續產生則會造成開關破裂。很多時候可通過加設RC 網絡和二極管遏抑器令雙方互相抑制(見下圖)。

突然開放一個帶有電感器的電路會產生一道很大的逆電壓
加設一個同線圈并列的二極管可以減低這電壓
一個穿過開關RC 網絡也能起到同樣的作用
突入電流負荷
當電燈負荷剛起動時也會產生非常高的突入電流。目前典型的鎢絲是用在小型的電燈泡內,當燈泡啟動時,會承受到比通常操作電流高10倍的突入電流(見圖#50)。在電燈內加設一連串電阻可以有效地減低突入電流并在延長干簧開關的壽命起到重要作用。
另外一個方案,如圖#50 所示,是加設一組并聯的電阻器穿開關。于這情況下,微量的電流會流經過燈絲來維持熱度和高阻值,這電流是平衡的,此時燈絲不會有發強光的現象出現?,F在當干簧管被激活時,開關電流會接近它的穩態電流。

由于鎢絲本身是冷的,當電燈第一次開啟時會有一道非常高的突入電流產生,加設連串電阻可以減低突入電流。如在開關加設一組并聯的電阻器,這樣可以容許一道微量電流流動,加熱電燈泡的烏絲,當開關閉合時,由于烏絲是熱的,這樣就不會引發起突入電流了。



