


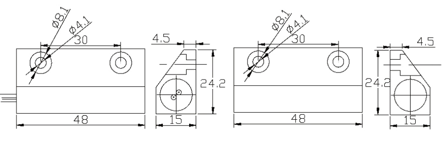
產品尺寸:

產品參數:
型號 | OKD-MC56 |
外形尺寸 | 48X15X24mm |
外殼顏色 | 銀灰色電鍍 |
外殼材料 | 鋅合金 |
開關形式 | 常開型 |
最大工作電壓 | 100VDC |
最大工作電流 | 0.5A |
觸點功率 | 10W |
感應距離 | 40-60mm |
安裝方式 | 配有螺絲貼裝固定 |
引線長度 | 250mm |
包裝方式 | 5套/袋 |
安裝注意事項:
1)、所有門磁開關、窗磁開關的使用負荷不得超過額定的參數,否則,開關會被燒壞或出現錯誤感應動作。
2)、門磁開關、窗磁開關一般安裝在門/窗的頂部不易被接觸的地方,磁鐵部份安裝在移動的門或者窗上,開關部分安裝在固定的門/窗的框架上。但下裝式卷簾門磁開關部份最好埋在地下,磁鐵部份安裝在可移動的卷簾門的下部邊緣,可配支架調節啟動感應距離。
3)、門磁開關、窗磁開關分表面貼裝式和嵌入暗裝式。表面貼裝式用螺絲或雙面膠固定(但強烈建議安裝時如配有雙面膠的最好也用備用的螺絲加強固定,否則過高過低的溫度和濕度會影響雙面膠的壽命,導致產品脫落,特點是安裝相對容易些,但門/窗磁裸露在外容易被破壞。嵌入暗裝式需要根據門/窗磁主體的最大直徑鉆孔安裝,底部的卡片應緊貼在表面上,特點是安裝相對麻煩些,但美觀不易破壞。
4)、在安裝過程中,表面貼裝時干簧管的觸點位置與磁鐵的磁力線最高點一定要平行安裝;但在嵌入式暗裝時,磁鐵和干簧管兩部份要相向平行在一條線上,這樣才可以取得最佳的感應距離。且兩部份最好無間隙安裝,間距越小越好,最大間隙不應超過5mm(卷簾門除外)。如果錯位安裝將導致啟動感應距離的縮短,甚至感應不到任何信號的時候,就會導至開關失靈。



